Mô tả sản phẩm
Đồng Hồ Đo Lưu Lượng Siemens MAG 6000I là bộ phát dựa trên bộ vi xử lý với màn hình chữ và số tích hợp ở một số ngôn ngữ.
Các máy phát đánh giá các tín hiệu từ các cảm biến điện từ liên quan và cũng hoàn thành nhiệm vụ của bộ cấp nguồn cung cấp dòng điện không đổi cho các cuộn nam châm. Thông tin thêm về kết nối, phương thức hoạt động và cài đặt có thể được tìm thấy trong bảng dữ liệu cho cảm biến.
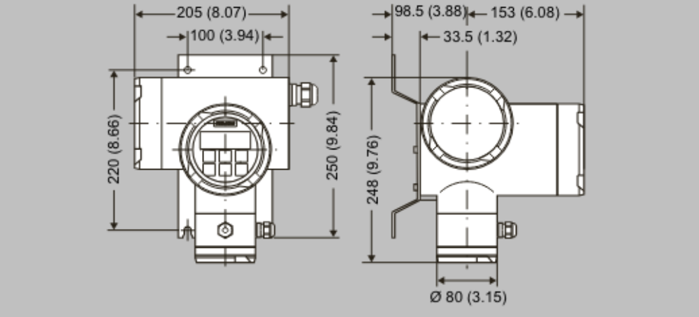
Thích hợp để đo lưu lượng thể tích của chất lỏng (dẫn điện), vỏ nhôm đúc. Máy phát được thiết kế để lắp đặt nhỏ gọn hoặc từ xa ở những khu vực không nguy hiểm hoặc không nguy hiểm.

Cataloge sản phẩm



LED 4 Bóng GOQ RGB-5050 | NL-GOQ RGB 4 LED 
















